Peter Wade Posted July 30, 2025 Report Posted July 30, 2025 Hi Chaps. No doubt it's been covered before but can't find anything on the forum. After a breakdown over the weekend and having no hazzard warning lights on a very busy road have decided to install hazzards lights, so my questions are:- 1. I have LEDS all round are the hazzard warning light kits from the usual suspects compatible?. 2. How difficult are they to Install on a scale of 1 being simples 10 being very difficult. Forgot to mention my vehicle is a TR4A. Kind Regards Peter W Quote
RobH Posted July 30, 2025 Report Posted July 30, 2025 (edited) Here are a couple of previous discussions Peter. an alternative or additional measure is to carry a couple of these: https://www.amazon.co.uk/Waterproof-Triangles-Emergency-Floodlight-Assistance/dp/B0CT8X2D8G/ref=sr_1_6?crid=3CEPUTVF6WE7E&dib=eyJ2IjoiMSJ9.rooRRxi2MMvckC-DsAE8KXRlyhIJc1a99qySB97l3Vey-VLcw7BsMq9mpZIR9X1zQ8DEH7gevbXlYO20AC-46ZLMz8gMIwVnFTD_nnQ__WkVgKYNQqkL68zkZMKYlZoRK7AOmOnPTtl-t6Tf3HYft4vUEm7_SfV4skUveZ3Hrph1e66qSfkfX2eHeQO9LOECarvr-yDOsTyvEiIi1NUOJ_iVCLjW0OLtuoIeMKern5k.c-7w2ow0Lh3czavVlLsjT87WVtPdapzpUNzJCgXO_lQ&dib_tag=se&keywords=car+hazard+warning+lamps&qid=1753870560&sprefix=car+hazard+warning+lamps%2Caps%2C1027&sr=8-6 Edited July 30, 2025 by RobH Quote
Chris Hale Posted July 30, 2025 Report Posted July 30, 2025 (edited) Peter Its probably a 5, just take your time and identify where you want to put everything and where you have to run extra wires to I used one of these https://www.ebay.co.uk/itm/185648401758?_skw=lucas+hazzard+light+switch&itmmeta=01K1DHBWCBSFG9WHP1HSAMNBY1&hash=item2b3981cd5e:g:gNEAAOSwKmRjaNlv&itmprp=enc%3AAQAKAAABAFkggFvd1GGDu0w3yXCmi1dcx4pN85Pi7eIdB9CQYIdORaT2KLWa%2FpJ3Ifzbhp25yunK%2Bz7gmZMr2rGEu2KQqe7HlA0BIEtMsPZH7DZKcdHs016JV%2Fio3OSZIkfGRyQ%2FXoxuTd6nTk%2FrhH8NKtKFkO75ZxdGMw%2BqwvSbCDUYvNHzBFAEE1mkBRM1cx8zm2GMIabiEDtzHCeiLx0o9oEdkfbUuJFprjxY9HCdX9wITDGDQevluJM0mfjd7N8Gia8zDhrq5CLJbWVfpF%2BkCU1Sxwn6jgQSgkqi%2BjuQWVoMEJuKlG%2F0f3A%2BrXfTaQkK30IS2Y2gLDKSFwmNxvTcKRBmTS0%3D|tkp%3ABk9SR7rGr7GLZg on my 6 and have one to install in my 4A Due to lack of room where I wanted to site the switch I did not use there mounting bracket separated the switch and relay and mounted the relay next to my indicator relay which meant making up a loom from the switch to the relay. Pretty simple job Edited July 30, 2025 by Chris Hale Quote
RobH Posted July 30, 2025 Report Posted July 30, 2025 If you are going to buy a kit Peter, best to check with the supplier whether it will work with LED lamps if it doesn't specifically state that in the ad. The difficulty depends on whether or not you are experienced with doing wiring. Quote
Lebro Posted July 30, 2025 Report Posted July 30, 2025 With LED lamps you dont need an extra flasher "relay" just a switch. See the two articles above which Rob posted. Bob Quote
Peter Wade Posted July 30, 2025 Author Report Posted July 30, 2025 Hi. Many thanks for all the replies, well at least I'm now clear on the Lucas kit I didn't realise the relay was mounted within the switch so I'm OK with that, I'm just concerned that it is LED compatible I'm sure one of you guys will let me know or weather I have to change the relay I fitted when I changed to LED's. Cheers Guys Quote
RobH Posted July 30, 2025 Report Posted July 30, 2025 Peter, the Lucas SBF300 and equivalents are available from a lot of different suppliers most of whom have an installation instruction sheet - none of them say it is LED compatible so I would assume the flasher unit inside is for normal bulbs only. Quote
Peter Wade Posted July 30, 2025 Author Report Posted July 30, 2025 Chaps, I'm clear on the way forward as I have LED's and have already replaced the flasher relay for an electronic one which came in the LED kit I purchased from Classic LED's I don't need another relay so just require a hazzard switch which I've ordered. Cheers All. Peter W Quote
PodOne Posted July 30, 2025 Report Posted July 30, 2025 Apologies for hijacking this thread for TR4 retro fitting Hazard light switch but I'm in the same boat with regard to my 1969 TR6. It's the one thing I should have done when I rewired the car. I bought one of these https://www.moss-europe.co.uk/en-gb/hazard-warning-light-kit-gss159 from Moss some time ago but haven't got around to fitting. Question I have fitted LED's all round and LED Flasher unit all bought from Classic LED lights will the Moss switch work? Any wiring diagrams appreciated. Thanks Andy Quote
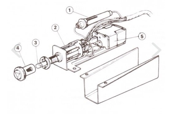
RobH Posted July 30, 2025 Report Posted July 30, 2025 I believe the Moss switch is the same as the Lucas one Andy though it is the unbranded generic version. I have looked at many sources for that and I don't think any say they are suitable for LEDs. It's the flasher unit in the switch that needs to be compatible, it might be but they just don't say. It ought to be relatively easy to swap that for the correct type if it doesn't work but it might not fit in the switch itself as the original does (item 5 here). This one might fit though : https://www.feked.com/genuine-lucas-led-compatible-12v-two-pin-indicator-flasher-unit-adjustable-frequency.html As you can see elsewhere on this thread, you don't actually need to have a separate hazard flasher unit anyway. Quote
PodOne Posted July 30, 2025 Report Posted July 30, 2025 Hi Rob Thanks for your post. I'm no electrical wizard! My understanding is that the Moss switch cuts the supply to the LED flasher fitted to the car and uses the flasher in the Moss switch which may or may not work with LEDs. Are saying there is actually no need for the flasher within the Moss Switch if so could it still be used minus the flasher using the LED compatible one already fitted in the car. Which wiring diagram would I follow? Looking at the Lucas LED compatible flasher for a £5 its worth a go as I have the Moss switch already if so its likely the easier option? Thanks again Andy Quote
RobH Posted July 30, 2025 Report Posted July 30, 2025 The various circuits to use the existing flasher only, are in the linked posts higher up the thread Andy and use different switches. I don't know whether the Moss switch used alone would be suitable for that. I doubt it as I don't think it has enough 'poles'. As you say, since you already have the Moss ones It would be easiest just to use them as intended and swap the internal flasher unit if necessary. (Note what the seller says about those alternatives, for polarity of the connection) Quote
PodOne Posted July 30, 2025 Report Posted July 30, 2025 Thanks Rob Flasher ordered I'll update regarding its fitment to the Moss switch and use the supplied Moss wiring instructions. If it wont fit in the switch I can always mount it remotely. Andy Quote
heckler Posted July 30, 2025 Report Posted July 30, 2025 Andy I have the Lucas equivalent of the moss one . The electronic flasher for the LED’s I purchased doesn’t fit inside the housing so sits just outside. Chris. Quote
Peter Wade Posted August 19, 2025 Author Report Posted August 19, 2025 Hi Chaps. Update from the instigater of this topic, installation of hazard warning lights success all working as they should, many thanks to all with help and instructions all you guys are so helpful. Cheers All Peter Wade Quote
John Morrison Posted August 21, 2025 Report Posted August 21, 2025 Peter, what did you actually fit in the end? John Quote
Peter Wade Posted August 22, 2025 Author Report Posted August 22, 2025 John. I used the Lucas hazard switch SBF300 removed the relay and put and electronic one from Classic LEDS, put a diode from the existing indicator relay and one on each side of the indicator switch (right side & left side), I'm not very good with vehicle electrics but just took my time and tested as I went along, so pleased with myself. Cheers All Peter Wade Quote
PodOne Posted February 4 Report Posted February 4 Hi all Thought I would update this thread to confirm the Moss switch/flasher will not work with LED lights. https://www.moss-europe.co.uk/en-gb/hazard-warning-light-kit-gss159 As recommended by Rob you need to replace it with https://www.feked.com/genuine-lucas-led-compatible-12v-two-pin-indicator-flasher-unit-adjustable-frequency.html It can be made to fit with a bit of surgery to the case not pretty but avoids having to extend the wiring and is hidden under the dash. After an afternoon work I now have hazard lights 😃 Andy Quote
Recommended Posts
Join the conversation
You can post now and register later. If you have an account, sign in now to post with your account.